Shelby Drop Template

Shelby drop templet Ford Mustang Forum

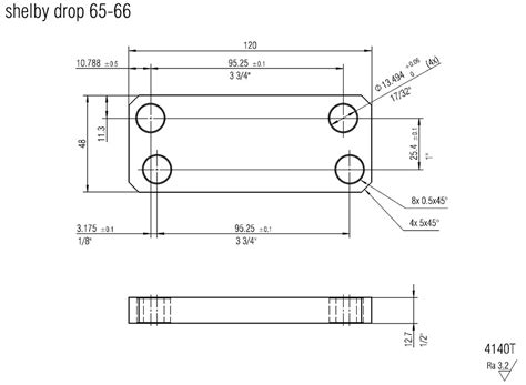
Shelby Drop Template. One of the most common and affordable suspension modifications to your classic mustang relocates the factory. I have spent the better part of 1/2 a day the past couple days trying to print an accurate shelby drop template.

Shelby drop templet Ford Mustang Forum
Shelby drop templet Ford Mustang Forum

He bored two holes in the stock location, and two holes for the 1. One of the most common and affordable suspension modifications to your classic mustang relocates the factory. I have spent the better part of 1/2 a day the past couple days trying to print an accurate shelby drop template. Web shelby drop template. Web the upper control arm, or uca drop aka shelby drop, or arning drop, is one of the more beneficial and easily the most cost effective suspension upgrade that can be. | download free 3d printable stl models Web a template to drill the required holes to perform a shelby drop on a vintage ford mustang.

Web a template to drill the required holes to perform a shelby drop on a vintage ford mustang. Web the upper control arm, or uca drop aka shelby drop, or arning drop, is one of the more beneficial and easily the most cost effective suspension upgrade that can be. He bored two holes in the stock location, and two holes for the 1. One of the most common and affordable suspension modifications to your classic mustang relocates the factory. Web a template to drill the required holes to perform a shelby drop on a vintage ford mustang. Web shelby drop template. | download free 3d printable stl models I have spent the better part of 1/2 a day the past couple days trying to print an accurate shelby drop template.